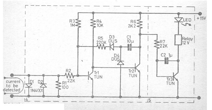
This sensitive circuit for triggering relays was found in an old English publication. It works with alternating signals applied to its input. Transistors are general purpose types.
This 4-transistor signal tracer or follower was found in Radio Electronics magazine from May 1960....
This 1967 Raytheon circuit uses an optical coupler of the era and has a range of 800 to 200 Hz....
Assembled with SMD components this circuit can be very small. The range is a few tens of meters. We...