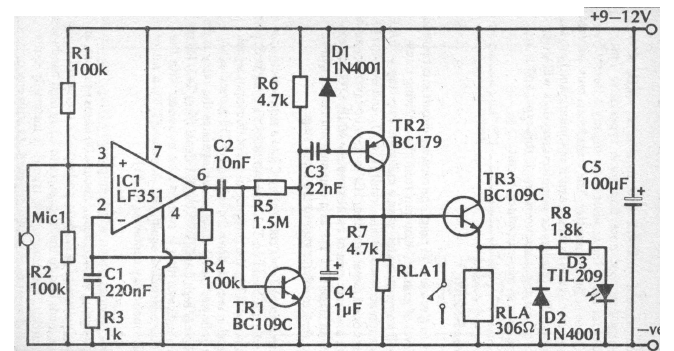
This is the receiver for the previous transmitter. The microphone is of the high impedance ultrasonic type. The circuit activates a relay. The operational amplifier supports equivalent.
This transmitter, indicated for espionage applications, is permanently powered by the power grid....
The maximum frequency of the oscillator shown in figure 10 is on the order of 5 MHz, depending on the...
This circuit was found in the SGS manual of linear integrated circuits of 1982. The integrated circuit...