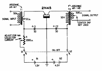
Found in an old American documentation, this step has as input and output transformers coupling. Two power sources are used.
This transmitter, indicated for espionage applications, is permanently powered by the power grid....
The maximum frequency of the oscillator shown in figure 10 is on the order of 5 MHz, depending on the...
This circuit was found in the SGS manual of linear integrated circuits of 1982. The integrated circuit...