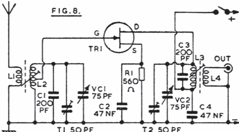
This circuit is intended for amplification of signals in the range of 1.8 to 20 MHz. The transistor can be a BF245 or MPF102. We found it in old English documentation.

This circuit is intended for amplification of signals in the range of 1.8 to 20 MHz. The transistor can be a BF245 or MPF102. We found it in old English documentation.
