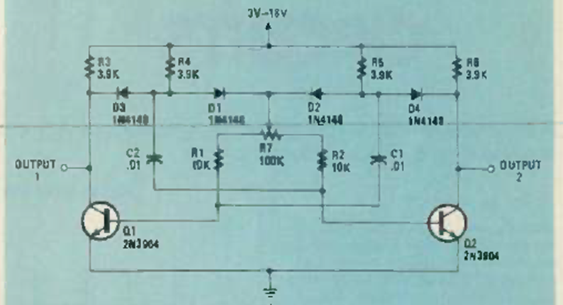
This circuit was found in the September 1984 issue of Radio Electronics magazine. The frequency is given by the capacitors. The diodes help in the starting process.
For those who like experimental circuits, here is a sequential flasher system with LEDs, which can be...
This circuit can be used in broilers, greenhouses, drying chambers to regulate the temperature in a simple...
This circuit consists of an electrostatic sensor that can check if a cable is energized by simply...