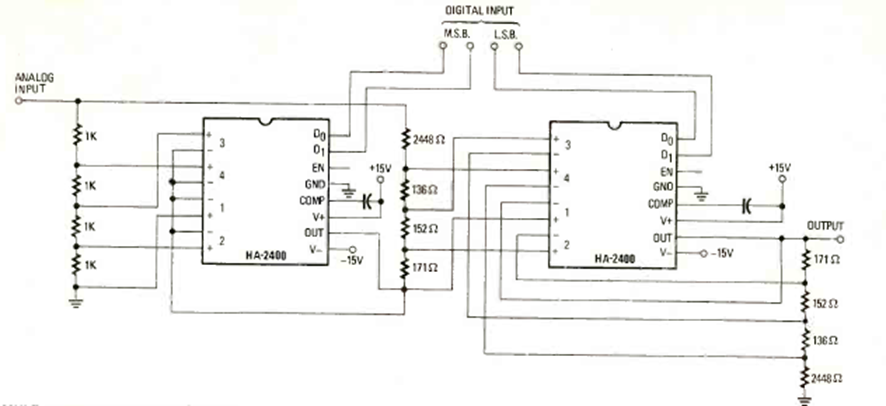
This digital to analog converter circuit was found in the March 1980 Radio Electronics magazine. The power supply should be symmetrical, and the digital controls can be TTL.
For those who like experimental circuits, here is a sequential flasher system with LEDs, which can be...
This circuit can be used in broilers, greenhouses, drying chambers to regulate the temperature in a simple...
This circuit consists of an electrostatic sensor that can check if a cable is energized by simply...