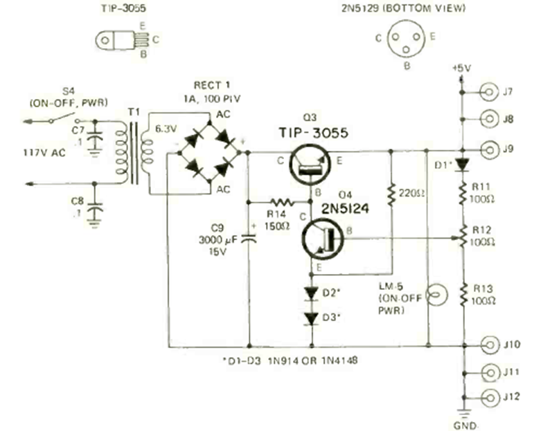
We found this TTL power supply circuit in the December 1972 issue of Radio Electronics magazine. The circuit uses a 1 A transformer and the 2N3055 transistor must be equipped with a good heat sink.
For those who like experimental circuits, here is a sequential flasher system with LEDs, which can be...
This circuit can be used in broilers, greenhouses, drying chambers to regulate the temperature in a simple...
This circuit consists of an electrostatic sensor that can check if a cable is energized by simply...