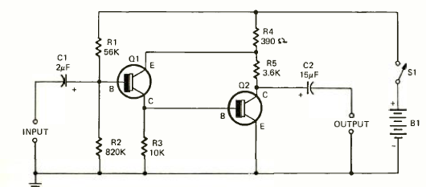
This general purpose two-transistor complementary configuration was found in the December 1972 issue of Radio Electronics magazine. The power supply is between 6 and 12 V.
For those who like experimental circuits, here is a sequential flasher system with LEDs, which can be...
This circuit can be used in broilers, greenhouses, drying chambers to regulate the temperature in a simple...
This circuit consists of an electrostatic sensor that can check if a cable is energized by simply...