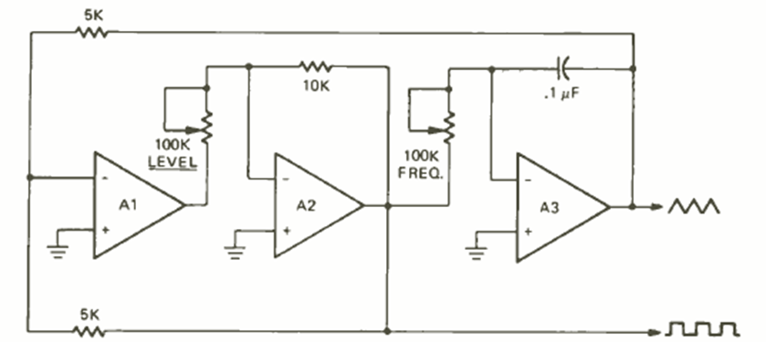
Found in the June 1972 issue of Radio Electronics magazine, this circuit generates signals that are tuned and can reach 20 kHz. The operational amplifiers are general-purpose types such as the 741.
Found in the June 1972 issue of Radio Electronics magazine, this circuit generates signals that are tuned and can reach 20 kHz. The operational amplifiers are general-purpose types such as the 741.