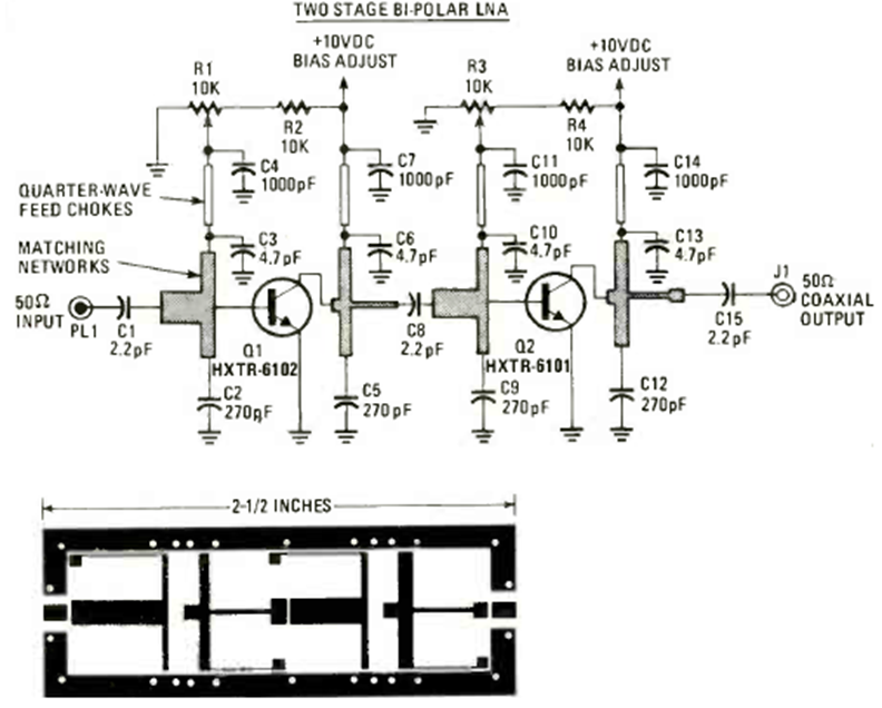
Used in satellite TV receptions in the 1980s, this circuit was found in the March 1980 issue of Radio Electronics magazine. Note the board layout.
This circuit was taken from recent English documentation. The circuit uses a 500 uA microammeter as an...
Found in Popular Electronics from the 90s, this circuit uses a reed switch on the rails as a...
This filter for scratch and rumble noises that occur on turntables was found in the February 1995...