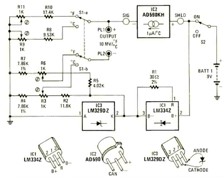
This circuit was found in the July 1978 issue of Radio Electronics magazine. The circuit uses a common digital voltmeter as the indicator. The sensors are integrated circuits of the time.
This digital mixer uses CMOS integrated circuits. The circuit was published by us in a magazine...
This precision circuit can provide timings from 0.2 milliseconds to 3 minutes accurately. The...
The amplifier presented is ideal for use in small monophonic sound systems, radios or televisions powered...