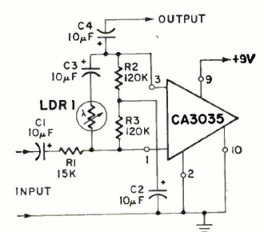
The gain of this amplifier is controlled by light shining on an LDR. The circuit is from a Radio Electronics from February 1970. The CA3035 is an operational amplifier from RCA.

The gain of this amplifier is controlled by light shining on an LDR. The circuit is from a Radio Electronics from February 1970. The CA3035 is an operational amplifier from RCA.
