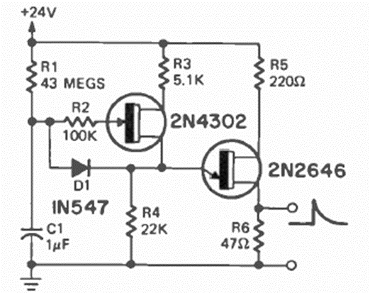
This long delay circuit was found in the July 1973 Radio Electronics magazine. The capacitor determines the delay. The unijunction transistor is well known, and the bipolar transistor can be any general-purpose FET.

This long delay circuit was found in the July 1973 Radio Electronics magazine. The capacitor determines the delay. The unijunction transistor is well known, and the bipolar transistor can be any general-purpose FET.
