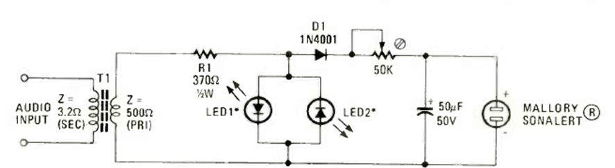
This simple circuit, connected to the speaker output of an off-station AM radio, detects the crackling sounds caused by lightning strikes. The circuit was suggested by an article in the March 1980 issue of Radio Electronics magazine.
This simple circuit, connected to the speaker output of an off-station AM radio, detects the crackling sounds caused by lightning strikes. The circuit was suggested by an article in the March 1980 issue of Radio Electronics magazine.