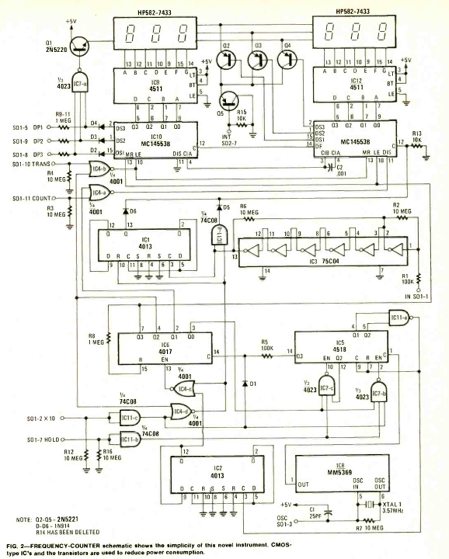
We found this circuit in the October 1978 issue of Radio Electronics magazine. The magazine article describes its assembly. The circuit is a 6-digit circuit using components from the time.
For those who like experimental circuits, here is a sequential flasher system with LEDs, which can be...
This circuit can be used in broilers, greenhouses, drying chambers to regulate the temperature in a simple...
This circuit consists of an electrostatic sensor that can check if a cable is energized by simply...