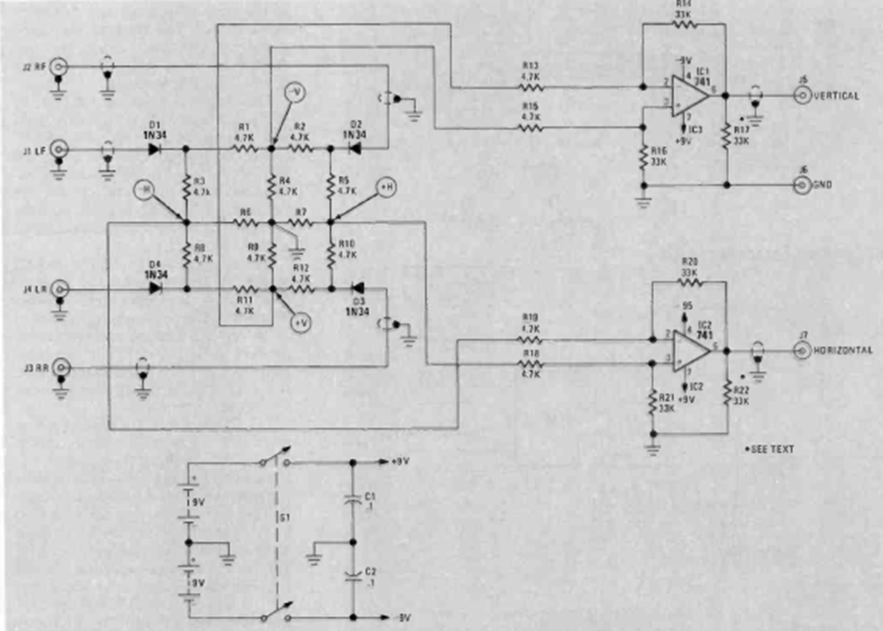
This signal multiplexer circuit for early low-frequency oscilloscopes was found in the May 1977 issue of Radio Electronics magazine. The circuit requires a symmetrical source.
Using neon lamps, this regulator was found in a1969’s documentation. The lamps are types available...
In the figure we have the power supply for the 8 W amplifier in the previous circuit. The circuit...
We found this circuit in the April 1988 issue of Radio Electronics magazine. The circuit can be...