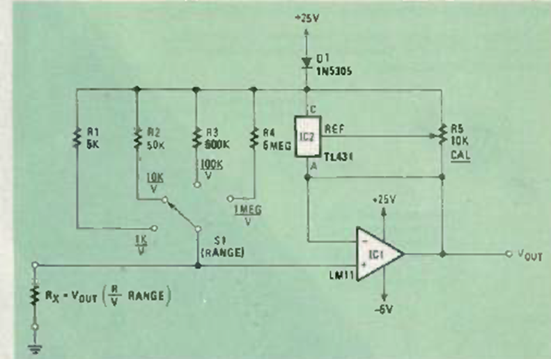
This regulator circuit was found in the June 1984 issue of Radio Electronics magazine. The LM11 is a power operator. Voltage selection is done by a switch,
The circuit shown is from the GE semiconductor manual of 1977. In the table we have the values of the...
This 1967 Ferranti circuit uses company components. These transistors can be replaced by modern...
This 15 V regulator uses the integrated 100 mA L series. The circuit was suggested by Motorola's Linear...