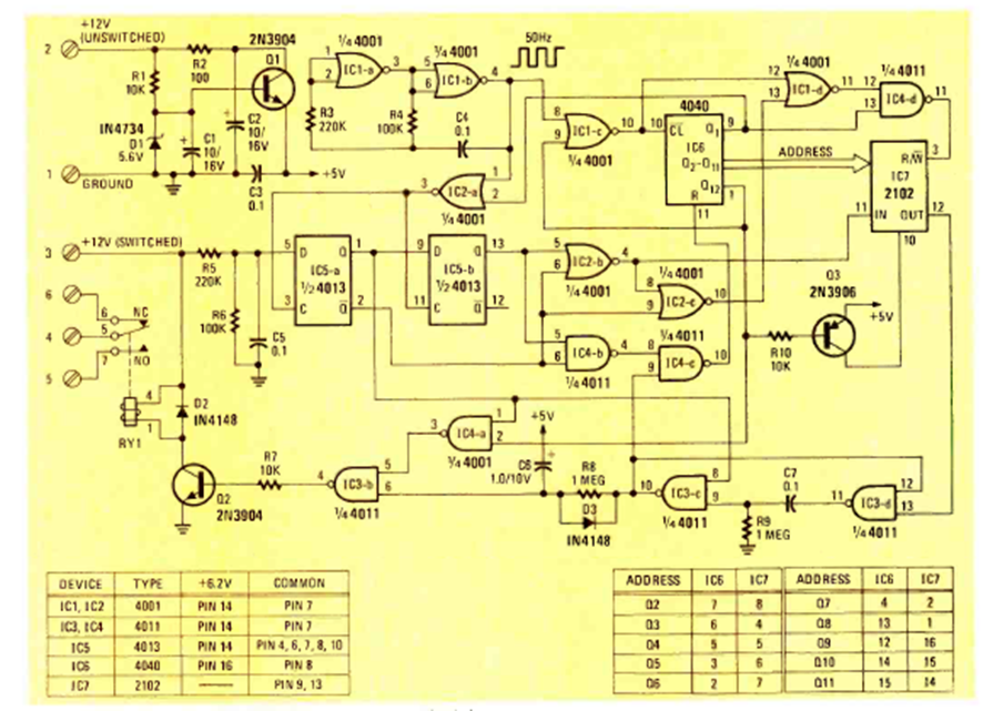
This sophisticated circuit was found in the November 1978 issue of Radio Electronics magazine. Based on CMOS logic, it has several types of timing, controlling the wiper relay.
This circuit was found in an Electronic Design from the 90s. The integrated circuit is the LT1016, a...
We found this circuit in a 90s Radio Electronics. The circuit generates frequency-modulated 220 kHz signals. The...
This light effect circuit was found in the July 1971 Radio Electronics magazine. The circuit is...