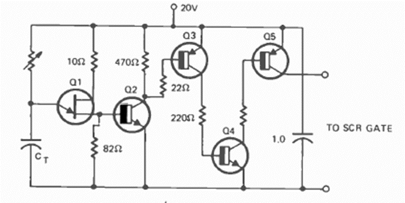
This unijunction transistor trigger pulse generator circuit was found in the March 1973 issue of Radio Electronics magazine. Typical values for Re CT are 100k and 220 nF.
This circuit was found in an Electronic Design from the 90s. The integrated circuit is the LT1016, a...
We found this circuit in a 90s Radio Electronics. The circuit generates frequency-modulated 220 kHz signals. The...
This light effect circuit was found in the July 1971 Radio Electronics magazine. The circuit is...