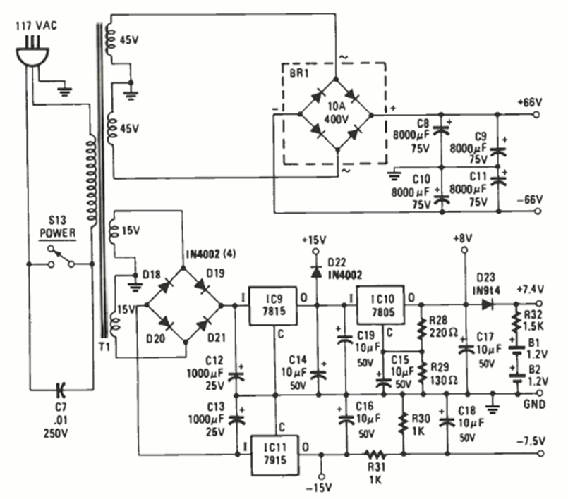
This is the power supply for the amplifier in the previous circuit. The voltage regulators must be equipped with a heat sink and the transformer is high current.
The circuit shown is from the GE semiconductor manual of 1977. In the table we have the values of the...
This 1967 Ferranti circuit uses company components. These transistors can be replaced by modern...
This 15 V regulator uses the integrated 100 mA L series. The circuit was suggested by Motorola's Linear...