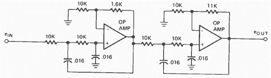
This circuit with 24 dB per octave attenuation was found in the November 1973 Radio Electronics magazine. The components are for 1 kHz but can be recalculated for other frequencies.
The circuit presented was found in a Motorola documentation from 19761, but it can be assembled with a...
This mixer uses only four passive component and can be used with high impedance sources. The input and...
The configuration shown is a flip-flop that can be triggered by means of two push buttons normally...