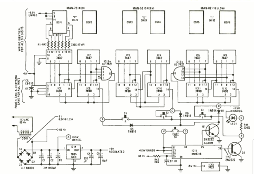
Found in a November 1977 Radio Electronics magazine, this digital circuit was described in an article that taught how to assemble it. The 6-digit circuit is a clock.
The circuit presented was found in a Motorola documentation from 19761, but it can be assembled with a...
This mixer uses only four passive component and can be used with high impedance sources. The input and...
The configuration shown is a flip-flop that can be triggered by means of two push buttons normally...