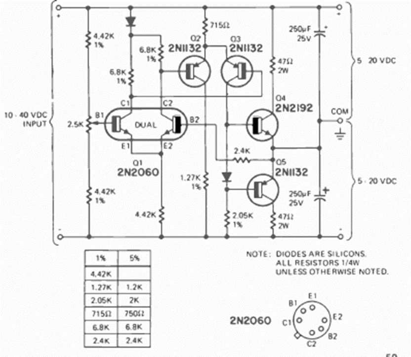
This circuit converts the voltage from a simple source into a symmetrical voltage. The circuit is from a Radio Electronics from June 1974. The voltage can be changed by changing components.
This circuit converts the voltage from a simple source into a symmetrical voltage. The circuit is from a Radio Electronics from June 1974. The voltage can be changed by changing components.