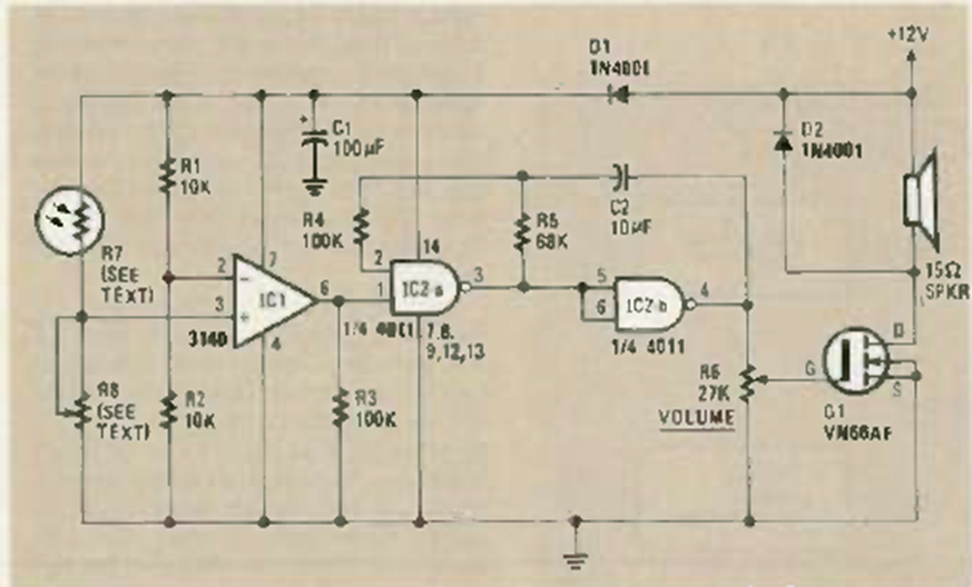
Using the CA3140 integrated circuit, this switch was found in the June 1986 Radio Electronics magazine. Sensitivity adjustment is made at the trimpot in series with the sensor.
The circuit presented was found in a Motorola documentation from 19761, but it can be assembled with a...
This mixer uses only four passive component and can be used with high impedance sources. The input and...
The configuration shown is a flip-flop that can be triggered by means of two push buttons normally...