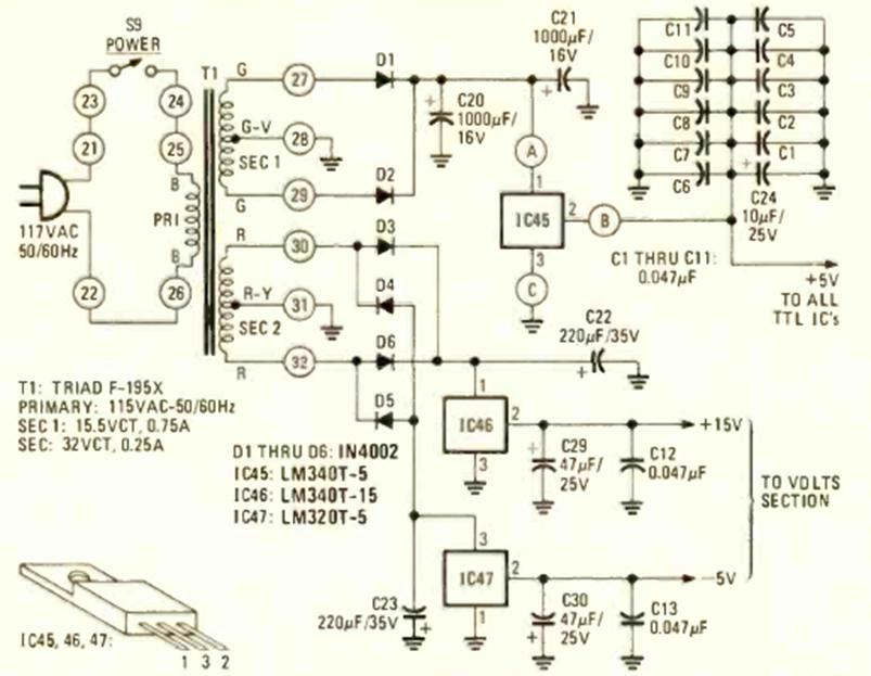
We found this circuit in the April 1979 Radio Electronics magazine. Note the filter capacitor bank that can now be replaced by a single equivalent value capacitor.
The circuit presented was found in a Motorola documentation from 19761, but it can be assembled with a...
This mixer uses only four passive component and can be used with high impedance sources. The input and...
The configuration shown is a flip-flop that can be triggered by means of two push buttons normally...