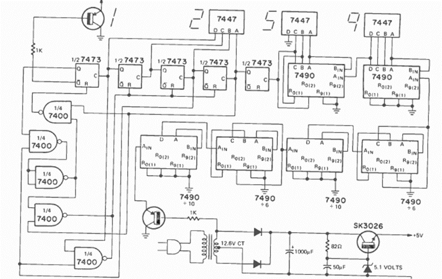
This is a typical 3 ½ digit TTL counter. We found it in the September 1973 issue of Radio Electronics magazine. The circuit is to be powered by 5 V. It can be expanded to more digits.
The circuit presented was found in a Motorola documentation from 19761, but it can be assembled with a...
This mixer uses only four passive component and can be used with high impedance sources. The input and...
The configuration shown is a flip-flop that can be triggered by means of two push buttons normally...