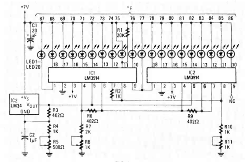
This bargraph circuit was found in the January 1986 issue of Radio Electronics magazine. It is based on the well-known LM3914 and has two of them in cascade driving a good number of LEDs.
The circuit presented was found in a Motorola documentation from 19761, but it can be assembled with a...
This mixer uses only four passive component and can be used with high impedance sources. The input and...
The configuration shown is a flip-flop that can be triggered by means of two push buttons normally...