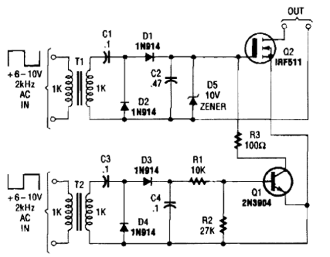
This circuit switches power loads with audio signals. The circuit is from a Popular Electronics from the 90s. The components can be changed depending on the signal used.
Although it was found in a British magazine 1976, this circuit can be easily upgraded with the...
This circuit is from old American documentation intended to trigger the flash of a camera flash with...
This circuit may be used in IF steps of dual-conversion receivers, i.e., a type of receiver that uses...