Found in a 1990s Popular Electronics, this circuit uses a small transformer matched to the impedance of the speaker being driven.
Varactor diodes are our varicaps of today. This circuit for switching signals in an RF circuit was found...
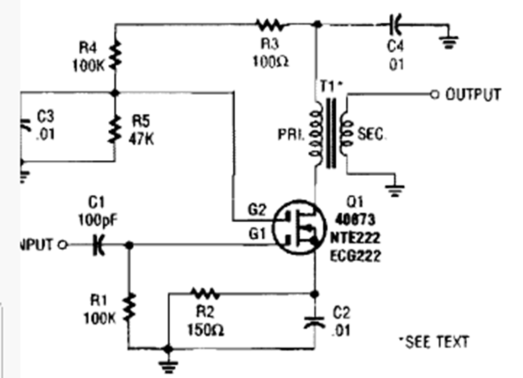
This Hughes circuit is from 1968. Equivalent modern components can be used. The input impedance is...
This circuit digitally counts input pulses. The circuit from a November 1970 Radio Electronics uses...