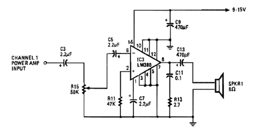
This is a channel of a stereo amplifier and small power with the LM386 suggested by the Radio Electronics Experimenters in the 1981 edition. The power of a few Watts.
Varactor diodes are our varicaps of today. This circuit for switching signals in an RF circuit was found...
This Hughes circuit is from 1968. Equivalent modern components can be used. The input impedance is...
This circuit digitally counts input pulses. The circuit from a November 1970 Radio Electronics uses...