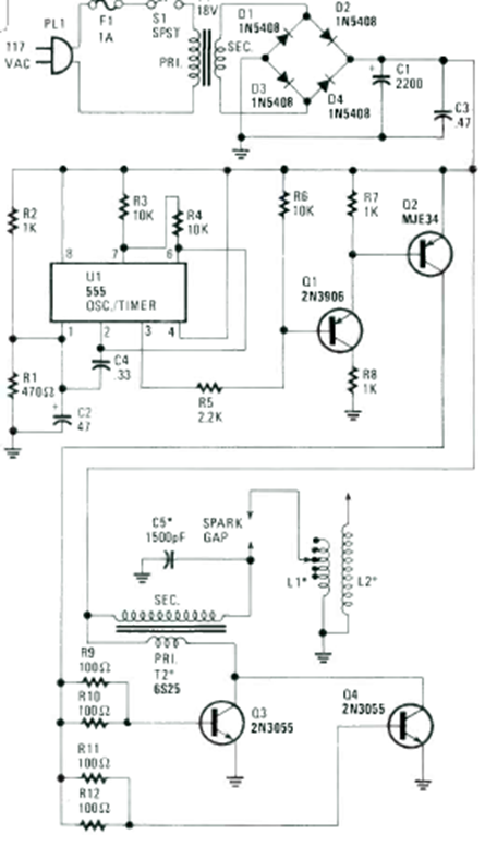
This coil, which generates voltages of a few tens of thousands of volts, was found in the 1990 special issue of Radio Electronics Experimenter magazine.

This coil, which generates voltages of a few tens of thousands of volts, was found in the 1990 special issue of Radio Electronics Experimenter magazine.
