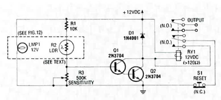
This circuit was found in the 1991 Electronics Experimenter's Handbook. It activates a relay when light shines on a sensor.
This is the circuit of a turntable from the 1970s. We found it in a repair article in the December...
This circuit divides the grid 60 Hz frequency to obtain 20 Hz to drive mechanical watches used at...
This small audio amplifier uses an uncommon integrated circuit today. The circuit is from a...