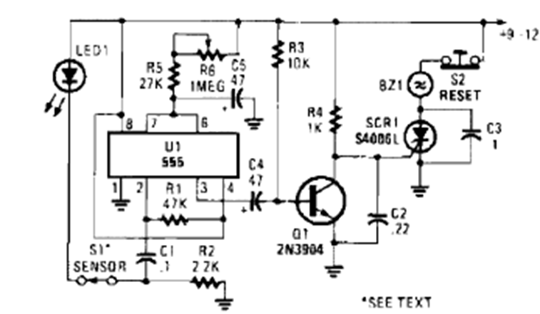
This 555-based circuit was obtained from the 1995 Encyclopedia of Electronic Circuits volume 5. It triggers an SCR when the transistor is cut off.
This is the circuit of a turntable from the 1970s. We found it in a repair article in the December...
This circuit divides the grid 60 Hz frequency to obtain 20 Hz to drive mechanical watches used at...
This small audio amplifier uses an uncommon integrated circuit today. The circuit is from a...