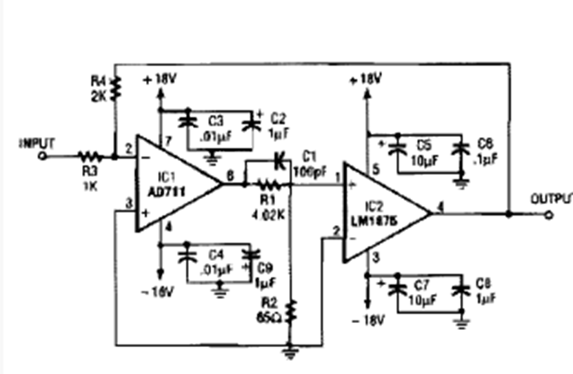
Found in a 1990s Electronics Now, this circuit uses a period-specific integrated circuit that provides 10W with a dual 18V source. The integrated circuit must be equipped with a heat sink.
Found in a 1990s Electronics Now, this circuit uses a period-specific integrated circuit that provides 10W with a dual 18V source. The integrated circuit must be equipped with a heat sink.