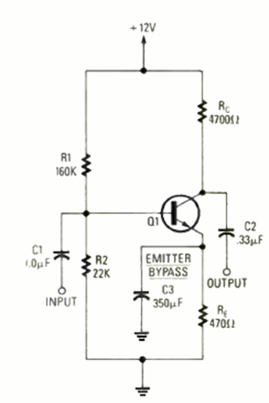
The figure shows how to increase the gain of the amplifier stage of the previous circuit. The transistor is general purpose, and the coupling is capacitive for AC amplification.

The figure shows how to increase the gain of the amplifier stage of the previous circuit. The transistor is general purpose, and the coupling is capacitive for AC amplification.
