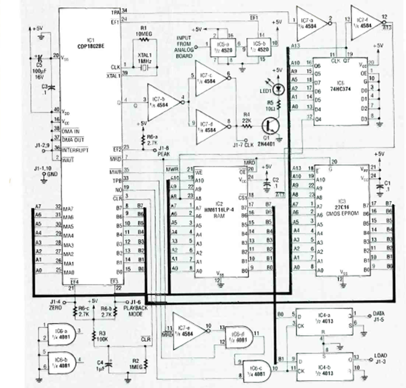
It serves as a reference, since today we can have simpler and more compact solutions. This circuit is from an Electronics Experimenter Handbook from 1992. The integrated circuits are from that time.
Varactor diodes are our varicaps of today. This circuit for switching signals in an RF circuit was found...
This Hughes circuit is from 1968. Equivalent modern components can be used. The input impedance is...
This circuit digitally counts input pulses. The circuit from a November 1970 Radio Electronics uses...