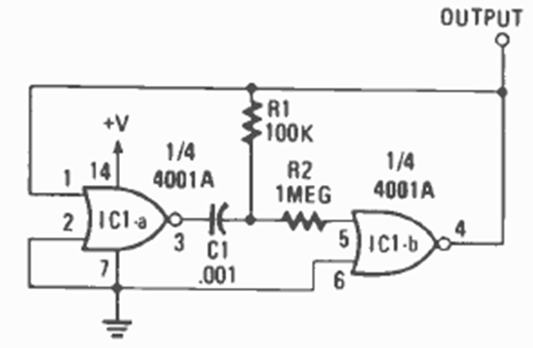
This oscillator was found in the January 1987 issue of Radio Electronics magazine. The frequency is adjusted by C1, and the output has good symmetry. The power supply is typically 3 to 12 V.
This circuit was obtained from a 1978 Practical Wireless. It causes an LED to flash at a frequency that...
We found this circuit in a 1986 publication. However, as it is based entirely on 555 integrated...
This circuit with an integrated circuit of the time was found in the magazine Radio Electronics of April...