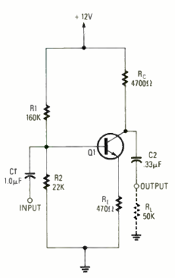
This capacitive-coupled stage can be implemented with any general-purpose transistor. The circuit can be used with 6 to 12 V supplies.

This capacitive-coupled stage can be implemented with any general-purpose transistor. The circuit can be used with 6 to 12 V supplies.
