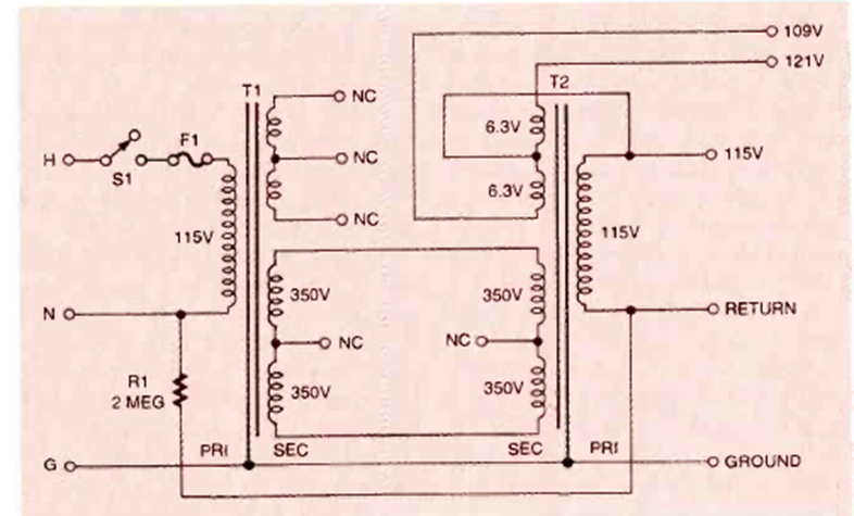
The figure shows an excellent benchtop isolation transformer system. This circuit was suggested by Electronics Now in December 1997.
Varactor diodes are our varicaps of today. This circuit for switching signals in an RF circuit was found...
This Hughes circuit is from 1968. Equivalent modern components can be used. The input impedance is...
This circuit digitally counts input pulses. The circuit from a November 1970 Radio Electronics uses...