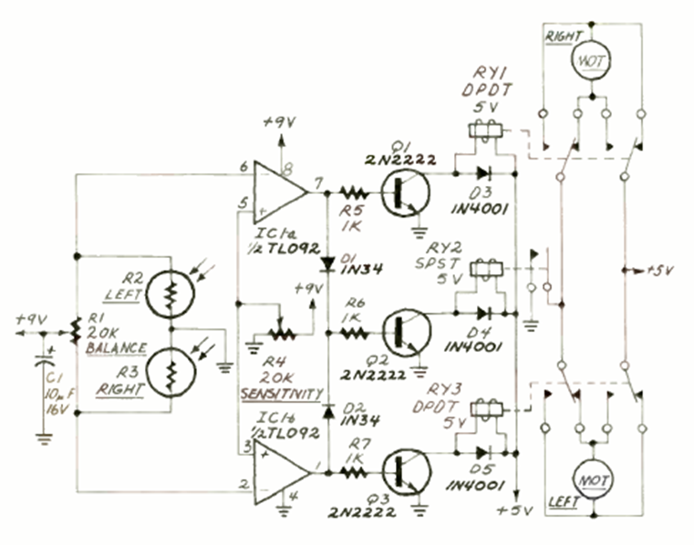
This interesting circuit is for controlling a small robot that searches for a light source. The sensors are LDRs, and the circuit has sensitivity balance adjustment. The robot uses two motors and three relays.
This interesting circuit is for controlling a small robot that searches for a light source. The sensors are LDRs, and the circuit has sensitivity balance adjustment. The robot uses two motors and three relays.