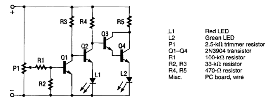
This automotive grade circuit was found in a 1991 Electronics Hobbyist. The transistors are general purpose types. P1 sets the monitoring voltage.
S-meter is a signal strength meter used in radio transmission. Also known as Strength meter, in this...
This distortion circuit or robot voice was found in a documentation from the year 2000. The...
The amplifier presented is ideal for use in small monophonic sound systems, radios or televisions powered...