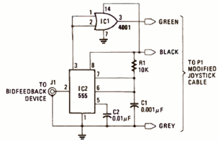
We have many versions of biofeedback with the 555 IC on this site. This is another one. We found it in October 1986 Radio Radio Electronics magazine. The power supply must be isolated.
This relaxation circuit was found in a 2002 documentation. Several articles dealing with white...
The recommended distance between the emitter and the sensor of this coupler is 15 mm. The circuit is...
We found this test circuit in the November 1999 issue of Electronics Now magazine. The circuit is to be...