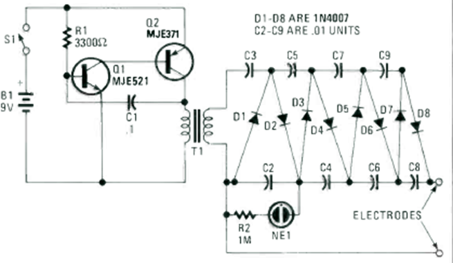
This electronic defense was found in the 1990 special issue of Radio Electronics Experimenter magazine. A few hundred volts is generated.
June 2017 - Mouser Electronics has a broad line of Cree products for use in horticulture, such as...
Based on common operational amplifiers, this circuit was found in Texas Instruments documentation. The power...
This is an old circuit with a feature that most modern oscilloscopes have. We found it in a Radio...