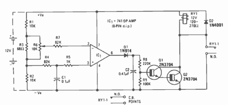
Indicated for alarm applications, this circuit was found in the December 1976 issue of Radio Electronics magazine. The circuit is for 12 V car applications.
This circuit was found in the March 1994 issue of Electronics Now magazine. The circuit uses a...
This circuit is from an American documentation from 1975. However, the circuit is still current, since...
We found this circuit in a 1991 publication, but it can be assembled with more modern components. We can...