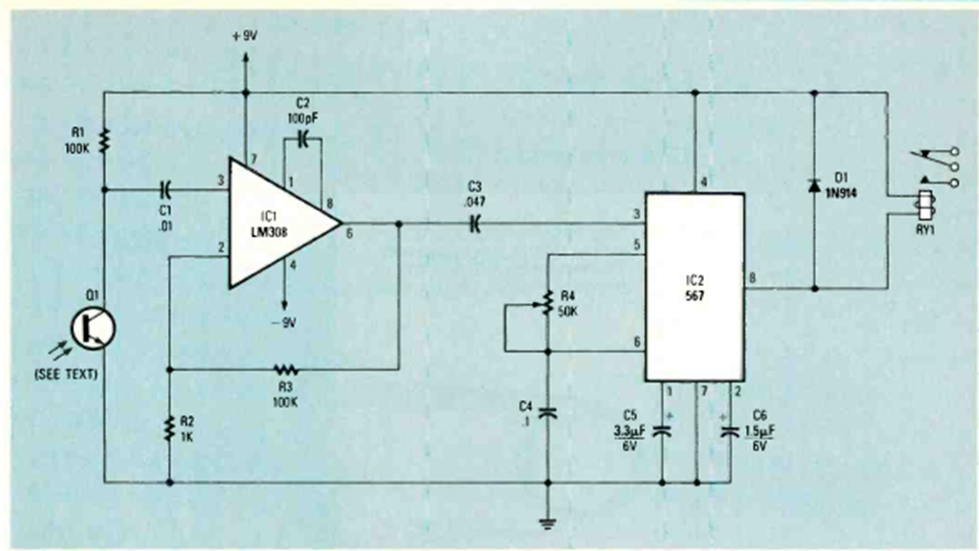
This is the receiver circuit for the previous remote control published in the same Radio Electronics magazine of November 1987. The sensor is a common phototransistor.
This circuit was found in the March 1994 issue of Electronics Now magazine. The circuit uses a...
This circuit is from an American documentation from 1975. However, the circuit is still current, since...
We found this circuit in a 1991 publication, but it can be assembled with more modern components. We can...