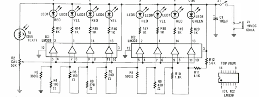
This circuit for photography uses was found in the Electronics Experimenter Handbook Special projects magazine from 1983. The bargraph circuit powers 8 LEDs.
This circuit uses a unijunction transistor in a different configuration to generate rectangular pulses at...
We found this configuration in a 1974 technical documentation. It can test both TTL logic circuits and...
We found this circuit in an old American publication. The circuit is designed to measure the...