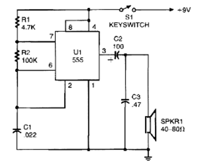
Found in a 1990s Popular Electronics, this circuit produces a tone on a small speaker. The keyer directly controls the power supply.
This circuit uses a unijunction transistor in a different configuration to generate rectangular pulses at...
We found this configuration in a 1974 technical documentation. It can test both TTL logic circuits and...
We found this circuit in an old American publication. The circuit is designed to measure the...