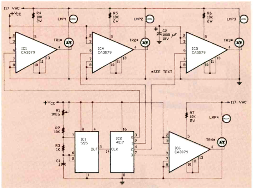
We found this circuit in the February 1987 issue of Radio Electronics magazine. It is based on an integrated RCA triac trigger available at the time. The circuit powers 4 incandescent lamps.
This circuit uses an old National Semiconductor operational amplifier, but it can be implemented with...
In this circuit the regulation is made from a circuit in the LED cathode. The configuration is...
For the component values used in thisf this circuit, the frequency can be adjusted between 740 Hz and...