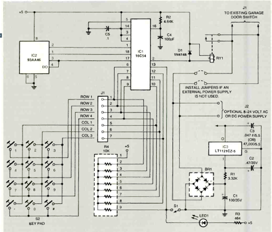
We found this code switch circuit in the January 1999 Electronics Now magazine. Some of the components are integrated circuits from that era.
This simple circuit produces pulses delayed in times set by the resistor in series with C on the...
This circuit was published in the Ideas section of Radio Electronics magazine in August 1983. The...
In the figure we have the receiver of a sequential remote control operating at a frequency in the range of...