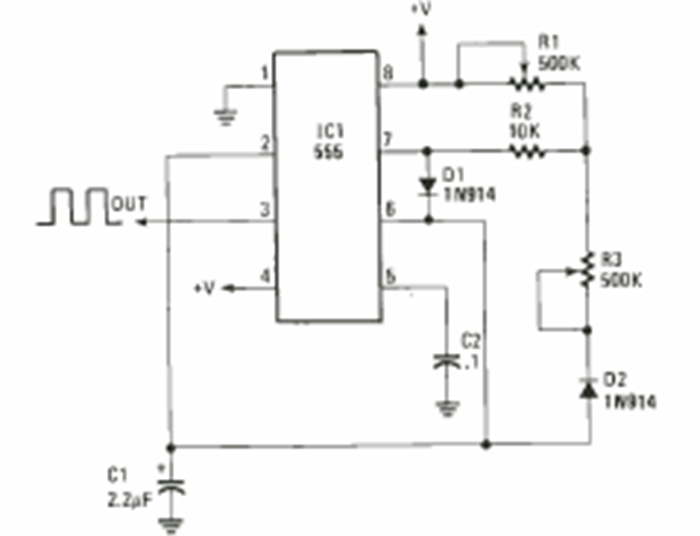
This dual-tuned 60 Hz oscillator was found in the Radio Experimenter Special projects of 1993. The circuit has the timing ranges given by C1 which can be changed.
We found this setting in the National Semiconductor Linear Applications Handbook. The base is an...
This conventional flip-flop configuration with two transistors was found in documentation from the...
This circuit is intended to monitor the flame of gas heating systems that must always have a small...